Vers le contenu
•
Home
•
Forum
•
Vos voitures
•
Pièce
•
Magazines/Manuel
•
Album photo
•
Vidéo
•
Course
•
360°
•
Chat [0]
M’enregistrer
>
Connexion
Menu
.
Nouveautés
.
Consultation article
.
Consultation manuel
.
Consultation document
.
Consultation magazine
.
Top 50
.
Aide
Liste
.
Liste d'auteur
.
Liste de catégorie
.
Liste des échelles
.
Liste des magazines
.
Liste des numéros
.
Liste des marques
.
Liste des motorisations
.
Liste des types
Lien utile
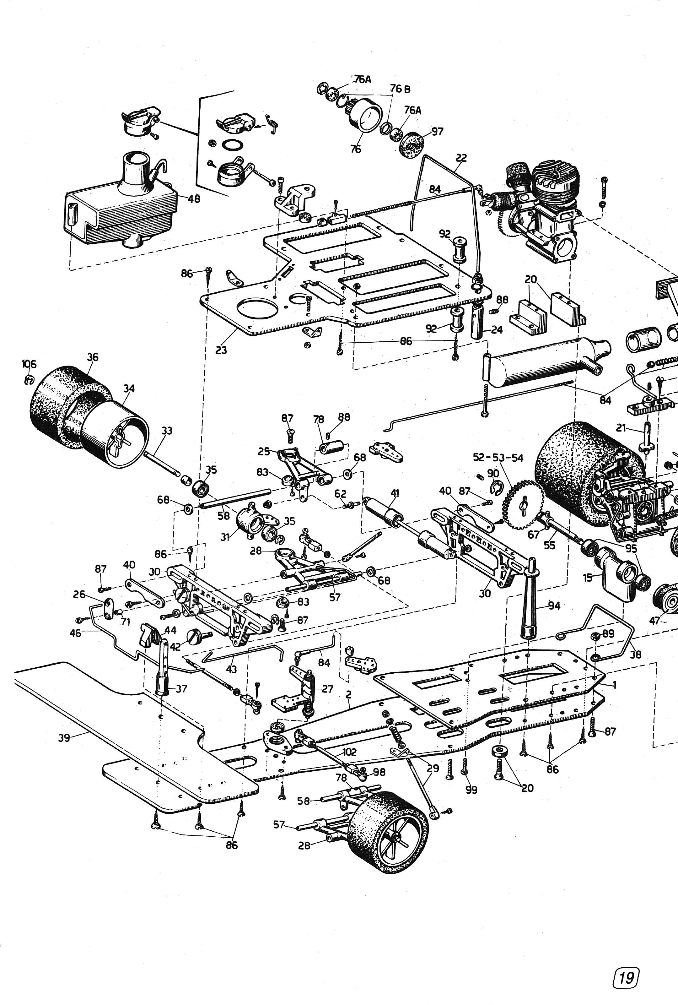
SG Notice de règlage SG MK2 scannée par A4roues Notice Piste 1/8 Thermique
Retourner à la liste de document
1
2
3
4
5
6
7
8
9
10
11
12
13
14
15
16
17
18
19
20
21
22
23
24
25